Deeply focusing on the dynamics of Maige Enterprise and paying comprehensive attention to the latest industry news
Whether building new units or upgrading DCS, the configuration of systems and controllers should focus on reliability and load rate (including redundancy) indicators. The design of communication bus load rate must be controlled within a reasonable range, and the load rate of the controller should be balanced as much as possible to avoid the occurrence of "high load" problems that affect the safe operation of the system due to insufficient funds caused by large-scale involvement.
2024-08-26
Many production sites produce flammable substances, and about two-thirds of underground coal mines contain explosive substances. In the chemical industry, more than 80% of production workshop areas contain explosive substances. The oxygen required for an explosion is ubiquitous.
2024-07-20
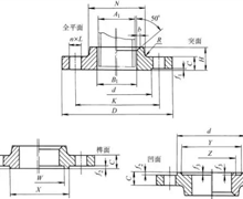
The basic introduction of flanges is that pipe flanges, gaskets, and fasteners are collectively referred to as flange joints.
2024-06-14
There are many issues with incorrect process parameters reflected by pressure and differential pressure transmitters during on-site installation, such as blocked pressure pipes, improper installation of throttling devices, condensing tanks, and pressure pipes, electromagnetic interference, and maintenance issues. Below, I will analyze some of the main problems and causes encountered in the use of pressure transmitters!
2024-06-11
Since its first industrial application in China in the late 1950s, electromagnetic flowmeters have been rapidly used and developed in flow measurement in the 1970s and 1980s. The working principle of an electromagnetic flowmeter is based on Faraday''''''''''''''''''''''''''''''''''''''''''''''''''''''''''''''''''''''''''''''''''''''''''''''''''''''''''''''''''''''''''''''''''''''''''''''''''''''''''''''''''''''''''''''''''''''''''''''''''''''''''''''''''''''''''''''''''''''''''''''''''''''''''''''''''''''''''''''''''''''''''''''''''''''''''''''''''''''''''''''''''''''''''''''''''''''''''''''''''''''''''''''''''''''''''''''''''''''''''''''''''''''''''''''''''''''''''''''''''''''''''''''''''''''''''''''''''''''''''''''''''''''''''''''''''''''''
2024-05-30
There is a problem with the instrument, and the reasons are quite complex. It is difficult to find the root cause at once. At this time, it is necessary to remain calm and analyze in stages. Firstly, analyze which unit the cause lies in, which can be roughly divided into three stages: on-site detection, intermediate transmission, and terminal display; At the same time, seasonal factors should also be considered, such as preventing high temperatures in summer and freezing in winter; When the para
2024-05-22
