Complete list of 12 flange and sealing surface forms
Basic Introduction to Flanges
Pipe flanges, gaskets, and fasteners are collectively referred to as flange joints.
Application:
Flange joint is a widely used and widely involved component in engineering design. It is an essential component in piping design, pipe fittings, and valves, as well as in equipment and equipment parts such as manholes, sight glass level gauges, etc. In addition, other majors such as industrial furnaces, thermal engineering, water supply and drainage, heating and ventilation, self-control, etc. often use flange joints.
Material:
Forged steel, WCB carbon steel, stainless steel, 316L, 316, 304L, 304, 321, chromium molybdenum steel, chromium molybdenum vanadium steel, molybdenum titanium dioxide, rubber lining, fluorine lining materials.
Category:
Flat welding flange, neck flange, butt welding flange, ring connection flange, socket flange, and blind plate, etc.
Execution standards:
There are GB series (national standard), JB series (mechanical department), HG series (chemical department), ASME B16.5 (American standard), BS4504 (British standard), DIN (German standard), JIS (Japanese standard).
International pipe flange standard system:
There are mainly two systems of pipe flange standards internationally, namely the European pipe flange system represented by German DIN (including the former Soviet Union) and the American pipe flange system represented by American ANSI pipe flanges.
12 types of flanges and sealing surface forms
>>>>
1. Plate type flat welding flange

Plate type flat welding flange (chemical standard HG20592, national standard GB/T9119, mechanical JB/T81).
Advantage:
Convenient material selection, simple manufacturing, low cost, widely used
Disadvantages:
Due to its poor rigidity, it should not be used in chemical process piping systems with supply and demand, flammability, explosiveness, and high vacuum requirements, as well as in highly hazardous environments. The sealing surface types include flat and protruding surfaces.
>>>>
2. With neck flat welding flange

The neck flat welding flange belongs to the national standard flange system. It is one of the manifestations of national standard flanges (also known as GB flanges) and is one of the commonly used flanges on equipment or pipelines.
Advantage:
On site installation is more convenient, and the process of welding and rubbing can be omitted
Disadvantages:
The neck height of the flange with neck flat welding is lower, which improves the stiffness and load-bearing capacity of the flange. Compared with butt welded flanges, the welding workload is large, the consumption of welding rods is high, and it cannot withstand high temperature, high pressure, repeated bending, and temperature fluctuations.
>>>>
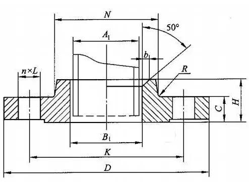
3. Neck welding flange

The sealing surface forms of neck welded flanges include
raised surface (RF), concave surface (FM), convex surface (M), tenon surface (T), groove surface (G), and full plane (FF).
Advantage:
The connection is not easily deformed, the sealing effect is good, and it is widely used. It is suitable for pipelines with large temperature or pressure fluctuations or pipelines with high, and low temperatures. It is also used for pipelines that transport expensive medium, flammable and explosive meudium, and toxic gases
Disadvantages:
The neck welded flange is bulky, heavy, expensive, and difficult to install and position. Therefore, it is more prone to collision during transportation.
>>>>
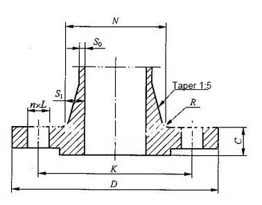
4. Integral flange


Integral flange is a type of flange connection method. It is also a type of welded steel pipe flange with neck. The materials include carbon steel, stainless steel, alloy steel, etc. In various domestic standards, IF is used to represent the integral flange. Mostly used in pipelines with high pressure. The production process is generally casting. In flange type, an "IF" is used to represent the type of integral flange.
Generally, it is a protruding surface (RF). If it is used in flammable, explosive, highly hazardous conditions, the sealing surface form of convex concave surface (MFM) and tenon groove surface (TG) other than the RF surface can be selected.
>>>>
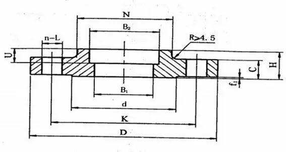
5. Socket welding flange


Socket welding flange is a flange that is welded to a steel pipe at one end and connected to the other end with bolts.
Sealing surface form:
RF, MFM, TG, RJ
Application scope:
Industries such as boiler and pressure vessels, petroleum, chemical, shipbuilding, pharmaceuticals, metallurgy, machinery, stamping elbows, and food. Commonly used in pipelines with PN ≤ 10.0MPa and DN ≤ 40.
>>>>
6. Threaded flange


The threaded flange is a kind of non welded flange (official account number: pump steward), which processes the inner hole of the flange into pipe thread and connects it with the threaded pipe.
Advantage:
Compared with flat welding flanges or butt welding flanges, threaded flanges have the characteristics of easy installation and maintenance, and can be used on pipelines that are not allowed to be welded on site. Alloy steel flanges have sufficient strength, but are not easy to weld or have poor welding performance. Threaded flanges can also be chosen.
Disadvantages:
It is recommended not to use threaded flanges when the pipeline temperature changes rapidly or when the temperature is above 260 ℃ but below -45 ℃ to avoid leakage.
>>>>
7. Welding ring loose flange

Welding ring loose flange is a movable flange plate that is usually matched with water supply and drainage fittings. When the manufacturer leaves the factory, there is a flange on each end of the expansion joint, which is directly connected to the pipeline and equipment in the project with bolts.
Effect:
The purpose of using butt welding ring loose flange is generally to save materials. Its structure is divided into two parts, one end of the pipe is connected to the pipeline, and the other end is made into a butt welding ring. The flange plate is made of low-grade materials, while the pipe part is made of the same material as the pipeline, achieving the goal of saving materials.
Advantage:
1. Save costs. When the material of the pipe is special and expensive, the cost of welding flanges of the same material is high.
2. Not convenient for welding or processing, or requiring high strength. Such as plastic pipes, fiberglass pipes, etc.
3. Easy to construct. If it is difficult to align the flange bolt holes during connection or to prevent changes in the flange bolt holes during future equipment replacement.
Disadvantages:
1. Low stress tolerance.
2. Low strength at the welding ring (especially when the thickness is below 3mm)
>>>>
8. Flat welding ring loose flange


Flat welding ring loose flange is a movable flange plate. Directly connect with pipelines and equipment in the project using bolts. The purpose of using a flat welding ring to loosen the flange is generally to save data. Its structure is divided into two parts: one end of the pipe is connected to the pipeline locally, and the other end is made into a flange. The flange part is fitted on the flange.
Advantage:
Convenient for welding or processing or requiring high strength, such as plastic pipes, fiberglass pipes, etc. Convenient for construction, such as aligning flange bolt holes during connection or preventing changes in flange bolt holes during equipment replacement in the future. When the price is high, save costs. When the material of the pipe is special, the cost of welding flanges of the same material is high.
Disadvantages:
Accept low pressure. Low strength at the welding ring (especially when the thickness is below 3mm)
>>>>
9. Flange cover


Also known as blind flange or blind plate. It is a flange without a hole in the middle, used for sealing pipeline plugs.
The function is the same as welding the head and threaded pipe cap, except that the blind flange and threaded pipe cap can be removed at any time, while welding the head does not.
Flange cover sealing surface:
Flat surface (FF), raised surface (RF), Male and Female surface (MFM), Tongue and Groove surface (TG), Ring Joint surface (RJ)
>>>>
10. Lining flange cover


The lining flange cover is a blind flange, with stainless steel welded on one side close to the medium, forming a whole. The lining flange cover is used as a blind plate on pipelines with corrosive medium. The difference from ordinary flange covers is the addition of anti-corrosion lining on the contact surface with the medium.
>>>>
11. American standard with neck flat welding flange


Connect the neck flat welding flange to the pipe end. Mainly refers to the parts that connect pipes to each other. The flange with neck flat welding has holes that can be threaded with bolts to tightly connect the two flanges, and the flanges are sealed with gaskets.
The gasket is placed between the two flange sealing surfaces. After tightening the nut, the specific pressure on the gasket surface reaches a certain value and deforms, filling the uneven areas on the sealing surface to ensure a tight and leak free connection. Flange connection is a detachable connection. According to the connected components, it can be divided into container flanges and pipe flanges.
The neck flat welding flange is suitable for connecting steel pipes with a nominal pressure not exceeding 2.5MPa. The neck flat welding flange is used for the butt welding of flanges and pipes. Its structure is reasonable, with high strength and stiffness, and can withstand high temperature, high pressure, repeated bending, and temperature fluctuations. Its sealing performance is reliable. The neck flat welding flange with a nominal pressure of 0.25-2.5MPa adopts a concave convex sealing surface.
>>>>
12. American standard neck welding flange


American standard flange is a component that connects pipes to each other, connected to the pipe end. American standard butt welding flanges are made by two methods: forging and casting.
American standard butt welding flanges can be divided into those with necks and those without necks based on their condition.
The American standard butt welding flange consists of two flange plates and flange pads, which are fastened together with bolts to complete the connection. There are holes on the American standard flange, and bolts tightly connect the two flanges. Seal the flanges with gaskets.
Detailed explanation of charts





Mega-tek Instrument Classroom